欢迎光临重庆川流机械有限公司官网!您的肯定是我奋斗的目标!
欢迎光临重庆川流机械有限公司官网!
-
1、设备润滑管理记录的规范化
设备润滑管理记录的规范化 随着生产的正式化,对设备的润滑记录也要随之规范,这不仅有益于对设备的维护,也可以帮助我们了解设备的运行情况,从而确定设备的老化程度与更换周...
2010-10-30 admin
-
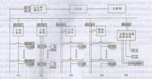
2、新型数字化干油集中控制分配润滑系统的研制(2)
1、 系统设计思路 要实现可控干油的分配方案,就需要对各个润滑点实现单独检测、单独控制。通过单独控制,来解决传统集中润滑系统中各润滑点相互关联、相互影响的问题,避免一...
2010-10-28 admin
-
3、设备润滑的目的和作用
设备润滑的目的和作用 润滑的目的 是在机械设备摩擦副相对运动的表面间加入润滑剂以降低摩擦阻力和能源消耗,减少表面磨损,延长使用寿命,保证设备正常运转。 润滑的作用 有以...
2010-10-27 admin
-
4、国外整机厂在中国占装机份额锐减真相
国外风机设备对华出口量和在华市场份额的大幅下降,正在成为美国10月15日启动301调查的重要依据。美方认为导致这一情况的主要原因,是中国政府为国内风机制造商提供了补贴、优惠...
2010-10-26 admin
-
5、钢铁厂的机械设备的润滑方式
钢铁厂的机械设备通常采用两种润滑方式: 稀油润滑和 干油润滑。 (1)采用稀油润滑的情况:除减少摩擦和磨损外,摩擦表面尚需排除大量热量;摩擦表面可能实现液体摩擦时;能实现...
2010-10-26 admin
-
6、港口门机润滑工作标准(2)
3 润滑工作标准的实施 3.1加大对润滑设备的资金投入 1992年以来陆续投入码头生产的lO台M1033型、4台M1635型门机均配置有集中润滑系统,在很大程度上减轻了司机加油工的劳动强度。...
2010-10-25 admin
